Фаркоп Шериф 4843.32 для Tank 300 / 500 / HAVAL H9

Артикул: SHEF/4843.32
(0)
11 100 руб. за 1 шт
В наличии
- +
Нашли дешевле?
Способы оплаты
Характеристики
Производитель
Производство
Россия
Марка автомобиля
HAVAL, TANK
Кузов
Внедорожник (5 дв.)
Горизонтальная тяга (кг)
2000
Вертикальная нагрузка (кг)
75
Вес (кг)
11
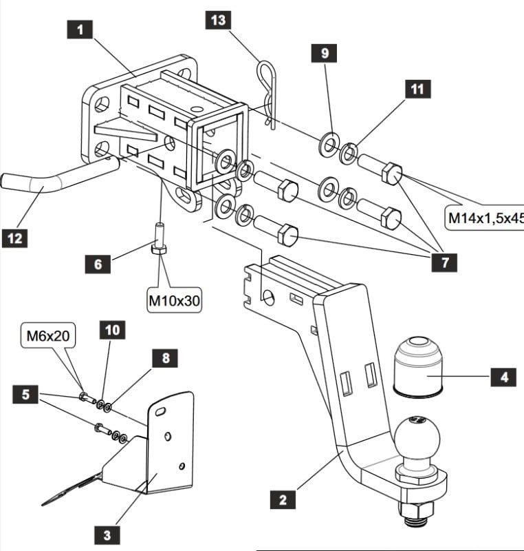
Тип крюка фаркопа
Е - квадрат
Вырез на бампере - "юбке"
Требуется
Установка фаркопа

Купить фаркоп вы так же можете, заказав услугу Установка фаркопов.
Установку фаркопа можно выбрать как товар, добавив её в Корзину, набрав в строке поиска Установка фаркопа.
Далее "детали" и конечную стоимость мы уточним с вами по телефону.

Электропроводка

Покупая фаркоп, не забудьте про электрику для подключения бортовых огней прицепа к автомобилю.

Фаркоп не комплектуется электрикой.

Поэтому нужно докупить как вариант;
Универсальная электрика для фаркопа ЛИДЕР ПЛЮС KPL-012
Фаркоп Шериф 4843.32 для Tank 300 / 500 / HAVAL H9
если автомобиль имеет примитивный компьютер управления.

Либо

Фаркоп Шериф 4843.32 для Tank 300 / 500 / HAVAL H9
Электрика для фаркопа,
универсальная,
с блоком согласования QUASAR WH1-PRO-G7 (Смарт - Коннект)

Так же на сайте представлена оригинальная электрика



которую вы можете подобрать для вашего авто в соответствующем разделе, либо в поисковой строке сайта.

Если вы решили установить фаркоп своими силами ... , то процесс установки фаркопа Шериф на Ваш автомобиль облегчит инструкция по монтажу.
(Представленная в ФАЙЛЫ И ДОКУМЕНТЫ)

ГАРАНТИЙНЫЕ ОБЯЗАТЕЛЬСТВА

Предприятие не несет ответственности
за безопасность и надежность работы ТСУ при внесении потребителем изменений в его конструкцию.

Рассмотрение претензий к продукции производится при наличии отметки о продаже, заверенной штампом организации, продавшей ТСУ, и подписью продавца.

ТРЕБОВАНИЯ К БЕЗОПАСТНОСТИ ПРИ ЭКСПЛУАТАЦИИ

Не допускается буксировка прицепов со скоростью более 80 км/час.

Техническое обслуживание ТСУ заключается в периодическом осмотре, подтяжке болтовых соединений, смазке сцепного шара любой консистентной смазкой непосредственно перед зацеплением прицепа.

Рекомендуется использовать прилагаемый колпачок для защиты сцепного шара без зацепленного прицепа.

Регламентные работы выполнять по единым регламентам автомобиля.

Подтяжку болтовых соединений и проверку геометрии сцепного шара ТСУ проводить при техническом обслуживании автомобиля.

 

Фаркоп Шериф 4843.32 для Tank 300 / 500 / HAVAL H9 разработан специалистами SHERIFF Россия специально для Array. Разновидность крюка фаркопа — Е - квадрат. Тип кузова — Внедорожник (5 дв.). Добавляйте в корзину — действует доставка!

Ваш автомобиль достоин лучших аксессуаров NAKUZOV

Вы всегда стремитесь улучшить его. Вы знаете, что одной заменой масла и периодической мойкой тут не обойтись. Вы оба хотите большего. И у нас есть кое-что стильное, безопасное и комфортное для Вашего автомобиля — широкий спектр аксессуаров на любой выбор.

Похожие товары
Артикул: TOW/B/TR6041
5 000 руб. за 1 шт
В наличии
- +
Артикул: KI32
6 400 руб. за 1 шт
В наличии
- +
Артикул: BOSAL/2636-A
9 000 руб. за 1 шт
В наличии
- +
Артикул: TOW/B/TR8121
4 700 руб. за 1 шт
В наличии
- +